YDJ油浸式試驗變壓器及試驗變壓器串級原理
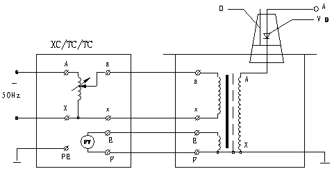
YDJ(G)、TDM(G)型油浸式試驗變壓器為單相變壓器,連結組I. I. 用工頻220V(10KVA以上為380V)電源接入∕XC∕TC(為武漢市合眾電氣生產的試驗變壓器專用設備,詳細資料請見其具體使用說明書)系列操作箱(臺),經操作箱內自耦調壓器(50KVA以上調壓器外附)調節至0-200V(或0-400V)電壓輸出至YDJ(G)、TDM(G)試驗變壓器的初組繞組,根據電磁感應原理,在試驗變壓器高壓繞組可獲得試驗所需的高電壓。
單臺TDM(G)油浸式試驗變壓器的工作原理圖見下圖,圖中高壓套管中裝有高壓硅堆,串接在高壓回路中作半波整流,以獲得直流高電壓。當用一短路桿將高壓硅堆短接時,可獲得工頻高電壓,作為交流輸出狀態;取消短路桿時,作為直流輸出狀態。
三臺油浸式試驗變壓器串級獲得更高電壓的結線原理見下圖。串級高壓試驗變壓器有很大的優越性,因為整個試驗裝置由幾臺單臺試驗變壓器組成,單臺試驗變壓器容量小、電壓低、重量輕,便于運輸和安裝。它既然可串接成高出幾倍的單臺試驗變壓器輸出電壓組合使用,又可分開成幾套單臺試驗變壓器單獨使用。整套裝置投資小,經濟實惠。圖5中,在第一級和第二級的每個單元試驗變壓器中都有一個勵磁繞組A1、C1和A2、C2。
在串級試驗變壓器基本原理圖中,低壓電源加在試驗變壓器I的初級繞組a1x1上,單臺試驗變壓Ⅰ、Ⅱ、Ⅲ的輸出電壓都是V。勵磁繞組A1、C1給第二級試驗變壓器Ⅱ的初級繞組供電;第二級試驗變壓器Ⅱ的勵磁繞組A2、C2給第三級試驗變壓器Ⅲ的初級繞組供電。第二級試驗變壓器Ⅱ和第三級試驗變壓器Ⅲ的箱體分別處在對地為1V和2V的高電位上,所以箱體對地是絕緣的,試驗變壓器I的箱體是接地的。這樣第一級、第二級、第三試驗變壓器對地的額定輸出電壓分別為1V、2V、3V;其額定容量分別為3P、2P、1P。
- 上一篇: 閉口閃點測定儀的結構特征
- 下一篇: 無局放耐壓試驗裝置耐壓試驗更加簡單方便





